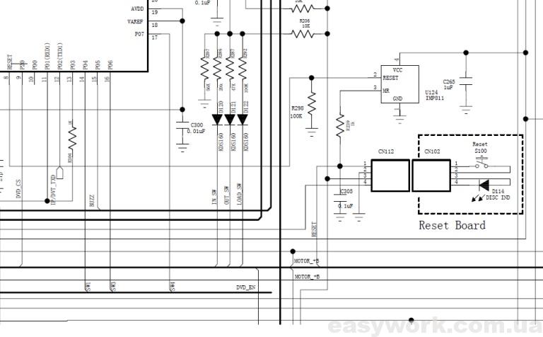
Принципиальная схема цепи RESET

remont-magnitoly-challenger-ch-8056-18