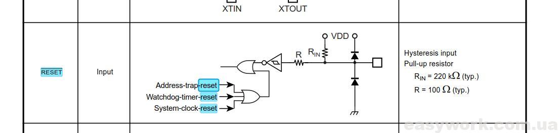
Характеристики вывода RESET

remont-magnitoly-challenger-ch-8056-17